ANA SAYFA
HAKKIMIZDA
İMALAT
KALİTE
ÜRÜNLER
Standart Ürünler
Özel Ürünler
İLETİŞİM
TR
ENGLISH
TÜRKÇE
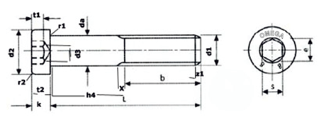
Metrik Dar Kafa Çelik İmbus Civata – DIN 7984